P4005空調排水泵(12v)
電壓: 12V
揚程:
噪音: ≤30dB(A)
調速方式:
IP等級:
功能:
介質溫度:
產品應用: | 產品特征: |
■空調排水 | ■重量:0.22kg |
■其他需要增壓循環的設備 | ■防護等級:IP68 |
| ■環保等級:符合RoHS環保要求 |
| ■使用壽命:10000小時 |
|
|
使用條件: | 特點: |
■環境溫度:-7 - 43℃ | ■采用無刷電機,體積小 |
■介質溫度:0-43℃ | ■低功耗 |
■介質:清水 | ■壽命長 |
| ■使用場所:室內 | ■超靜音,噪音≤30dB |
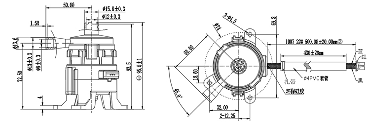
| 外觀尺寸: |
![]() |
| 額定電壓 | 使用電壓范圍 | 額定電流 | 額定揚程 | 額定流量 | 額定功率 | 最大噪音 |
| V | V | A | m | L/min | W | dB(A) |
| 12 | 6-26 | ≤0.38 | 1.2 | ≥0.55 | 4.5 | ≤30 |



深鵬水泵-張先生
深鵬科技 - 張先生