P8017汽車電子泵(13v)
電壓:
揚程:
噪音:
調速方式:
IP等級:
功能:
介質溫度:
產品應用: | 產品特征: |
■新能源汽車電機電控冷卻循環 | ■重量:0.8kg |
| ■防護等級:IP67 |
| ■絕緣等級:F級 |
■使用壽命:20000小時 | |
|
|
使用條件: | 特點: |
■環境溫度:-40 ~ 125℃ | ■采用無刷電機,體積小 |
■介質溫度:-40 ~ 120℃ | ■低功耗 |
■介質:防凍液 | ■高揚程 |
| ■使用場所:車載 |
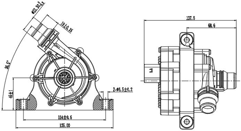
| 外觀尺寸: |
|
|
曲線圖: |
|
| 額定電壓 | 使用電壓范圍 | 額定電流 | 最大揚程 | 最大流量 | 額定功率 | 最大噪音 |
| V | V | A | m | L/min | W | dB(A) |
| 13 | 9-17 | 10.5 | 13 | 53 | 130 | ≤45 |




深鵬水泵-張先生
深鵬科技 - 張先生